一、在線水質監測儀產品介紹
在線水質監測儀又稱在線多參數水質監測系統,實時在線水質監測儀,在線水質監測儀采用一體化設計,采用高度集成技術,在一個機柜內實現了自動水質監測功能,可快速完成采樣和測試工作,具有自動化、智能化、性能穩定,準確可靠性的特點,適用于工業廢水、生活污水、地表水、地下水和飲用水等水質監測領域,是水廠生產過程控制、水利水務管理、衛生監督等領域必不可少的水質在線分析設備
1.1概述
WX-QSZ07取水水質監測微系統是基于物聯網技術的綜合傳感器采集、顯示、分析系統,供水水質監測微系統,由穩流排氣單元、分析測試單元、系統控制單元和遠程通訊單元等組成,具備完善的供電、防雷、網絡通訊等功能。
1.2產品定位
WX-QSZ07取水水質監測微系統具有自動監測功能,一體化抽取式微型水質自動監測站主要監測項目為:水溫、電導率、PH、溶解氧、氨氮、濁度、cod。它采用高度集成技術,在一個機柜內實現了自動水質監測功能。
該設備可廣泛用于城市或村鎮自來水廠、自來水輸水管網、自來水二次供水、用戶末梢、室內游泳池、大型凈水設備和直飲水等水質在線監測,是水廠生產過程控制、水利水務管理、衛生監督等領域必不可少的在線分析設備
1.3功能與特點
·GPRS聯網4G
·支持擴展RJ45聯網
·支持擴展傳感器遠傳
·支持LED屏顯示7.0寸觸摸控制屏
·支持擴展安卓屏顯示、存儲
·擴展安卓屏支持2G數據存儲、U盤數據導出
·支持一路RS485 modbus-RTU協議從站
·支持多通道RS485 modbus-RTU傳感器擴展
·配套物聯網數據展示、存儲、分析平臺
·平臺支持TCP短鏈接、HTTP協議等多種協議數據轉發
二、在線水質監測儀組成
2.1組成單元
取水水質監測微系統由供電單元、水泵控制單元、分析測試單元、顯示單元、水泵單元和遠程通訊單元及集成箱主體單元組成。
2.1.1供電單元
電源適配器AC220轉DC12V/3A。
2.1.2水泵控制單元
DC12V 30W智能型自吸泵最高揚程:40m開口流量:2.8L/min
2.1.3分析測試單元
分析測試單元,主要由水溫、電導率、PH、溶解氧傳感器構成,通過螺紋或緊配固定件固定于流通池上,傳感器主要參數如下:
技術參數
| 4序號 | 名稱 | 測量范圍 | 測量原理 | 測量精度 | 是否標配 | 備注 |
| 1 | 溫度 | 0~50℃ | 高精度數字傳感器 | ±0.3℃ | ? | |
| 2 | pH | 0~14(ph) | 電化學(鹽橋) | ± 0.1PH | ? | |
| 3 | 電導率 | 0~5000uS/cm | 接觸式電極法 | ± 1.5% | ? | |
| 4 | 濁度 | 0~40NTU(低濁) | 散射光法 | ± 1% | ||
| 5 | 溶解氧 | 0~20mg/L | 熒光壽命法 | ± 2% | ? | |
| 6 | 氨氮 | 0~100mg/l | 離子選擇電極法 | ±1mg | ||
| 7 | cod | 0~500mg/ L | UV254 吸收法 | ±5% | 帶有自動清潔器,可防止生物附著,避免光窗污染,以保證長期監測依然具有穩定性;可設置自動清潔時間及清潔次數,功耗0.7W |
注意:傳感器安裝時不能倒置或者水平安裝,至少傾斜15度角以上安裝,
以上水質傳感器工作環境0-50℃,<0.3Mpa。
2.1.4顯示單元
多參數監測儀,安裝于柜門處,進行數據采集、解析、顯示、通訊、數據保存操作

·安卓版本:4.4.2·CPU:四核Cortex?-A7·RAM/ROM:512M/4G·屏幕:7寸電容觸屏·供電:12V/1A·支持U盤擴展,支持內存卡擴展
2.1.5遠程通訊
RS485接口MODBUS-RTU通訊協議出廠設備地址6十進制支持03功能碼讀取數據
| 參數 | 10進制地址 | 16進制地址 | 數據類型 |
| 參數1 | 40001 | 0x0000H | 16位整數 |
| 參數2 | 40002 | 0x0001H | 16位整數 |
| 參數3 | 40003 | 0x0002H | 16位整數 |
| 參數4 | 40004 | 0x0003H | 16位整數 |
| 參數5 | 40005 | 0x0004H | 16位整數 |
| 參數6 | 40006 | 0x0004H | 16位整數 |

按順序依次排列
2.1.6設備箱主體單元
| 產品名稱 | 取水水質監測微系統 |
| 安裝方式 | 機柜落地是安裝,基座。 |
| 外形尺寸 | 850mm*500mm*250mm 50-100mm可調 |
| 外殼材質 | 304不銹鋼。 |
| 防護等級 | IP54 |
| 供電 | AC220V 內部電源適配器AC220轉DC12V/3A |
| 進水口 | 外徑φ6.5的2分凈水器PE管,流速500mL/min,壓力0.1-0.2MPa |
| 出水口 | 外徑φ6.5的2分凈水器PE管,流速400mL/min |
| 排污口 | 外徑φ6.5的2分凈水器PE管,流速100mL/min(也可手動定期排污) |
| 自吸泵 | 電機轉速:2800r/min |
| 額定電壓:DC 12V | |
| 最大電流:2.5A | |
| 最大吸程:1.5m 最高揚程:40m | |
| 開口流量:2.8L/min保護壓力:0.4Mpa | |
| 配套傳感器(選) | PH:0-14溶解氧: 0-20mg/L濁度:0-40NTU電導率:0-5000us/cm溫度:0 °C ~ 50 °C |

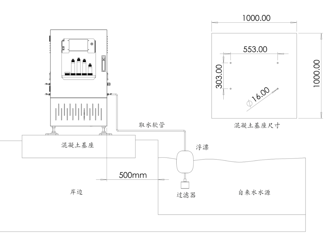
三、產品尺寸


四、設備安裝
設備整體圖內部測量單元示意圖

循環檢測時間設定(建議使用出廠設定)循環時間越快會影響可控設備使用壽命。

4.1設備安裝流程

4.2現場勘察
需方現場環境勘查,含各項現場條件(如安裝點、取水點、點位距離、電源電纜、管溝等)的確定。
4.3安裝前準備
需方負責落實安裝前準備工作,含取水點和安裝點位置確認、安裝點的水泥地基建設、電源電纜引入、鋪設管道地溝與基礎土建施工。
4.4安裝調試
進行安裝調試,含設備安裝、走管鋪設、校準調試。需方聯系供方技術協助調試。
4.5安裝點位距離確認
取水點到岸邊距離:水平距離不可超過10米,高差不可超過5米;
岸邊到水站距離:水平距離不可超過10米,高差不可超過5米;
4.6安裝點位基礎準備
勘查地質情況,如果地表是松軟土質,建議重新勘查選址或在原址上下挖0.5米深再進行澆筑混凝土;同時需確認開挖位置以下有無其他設施(如電纜管道等)
水泥地基建設,基礎尺寸為1.5m*1.5m,地基頂距原地面高度0.2m;用C20號或以上混凝土支模澆筑固定要保證整體的密實性牢固性,混凝土凝固過程中定時澆水養護,待混凝土完全凝固(一般72小時以上)可安裝設備;

水站基礎
(1)管道地溝開挖,(如圖3所示)管溝尺寸地面以下30cm開挖管溝寬度40cm;管路總體來講分為兩段:地面段和埋地段(參照圖3)。
(2)若開挖位置遇到瀝青、混凝土地面需對路面進行恢復;
(3)地面段:管路通過外層敷設保溫棉實現相應的保溫和防凍功能;
(4)埋地段:通過將管路敷設于當地凍土層以下,對管路起到防凍作用。
4.7安裝點位電源要求
電壓:220 V AC±10%;
頻率:50 Hz±5%;
將符合要求的電源引至水站安裝處。
4.8登錄平臺
云平臺大屏展示可投(http://47.92.208.0)
體驗賬號Test FT.com,默認密碼為123456

設備數據


魯公網安備37079402370804