一、產品簡介
山東萬象環境科技有限公司作為專業研發生產銷售微型氣象儀的企業,一直致力于微型氣象儀和氣象環境解決方案推廣應用。具有完整的生產鏈、實力雄厚的技術團隊和全面的營銷團隊,我們研發生產的五要素微氣象儀、六要素微氣象儀和小型自動氣象站等氣象產品,已廣泛應用到氣象監測、城市環境監測、風力發電、航海船舶、航空機場、橋梁隧道等領域,客戶遍布全國各地,并取得了良好的社會效益和經濟效益。
WX-WQX10B型十要素微氣象儀(具備省級校準證書)創新性地將負氧離子、pm2.5、pm10、溫度、濕度、氣壓、氧含量、噪聲、風速、風向等氣象要素通過一個高集成度結構來實現,可實現戶外氣象參數24小時連續在線監測,通過數字量通訊接口將十項參數一次性輸出給用戶。
二、產品特點
1、頂蓋隱藏式超聲波探頭,避免雨雪堆積的干擾,避免自然風遮擋
2、原理為發射連續變頻超聲波信號,通過測量相對相位來檢測風速風向
3、負氧離子、pm2.5、pm10、溫度、濕度、氣壓、氧含量、噪聲、風速、風向十要素一體式
4、采用先進的傳感技術,實時測量,無啟動風速☆
5、抗干擾能力強,具有看門狗電路,自動復位功能,保證系統穩定運行
6、高集成度,無移動部件,零磨損
7、免維護,無需現場校準
8、采用ASA工程塑料室外應用常年不變色
9、產品設計輸出信號標配為RS485通訊接口(MODBUS協議);可選配232、USB、以太網接口,支持數據實時讀取☆
10、可選配無線傳輸模塊,最小傳輸間隔1分鐘
11、探頭為卡扣式設計,解決了運輸、安裝過程松動不準的問題☆
三、技術參數
監測參數 | 量程 | 分辨率 | 準確度 | 配置 |
負氧離子 | 0~10萬個/cm3 | / | 讀數±10%;離子遷移率≤±20% | 標配 |
風速 | 0-60m/s | 0.01m/s | ±0.1m/s | 標配 |
風向 | 0-360° | 1° | ±2° | 標配 |
大氣壓力 | 30-110Kpa | 0.1Kpa | ±0.25% | 標配 |
空氣溫度 | -40-60℃ | 0.01℃ | ±0.3℃(25℃) | 標配 |
空氣濕度 | 0-100%RH | 0.1% | ±3%RH | 標配 |
PM2.5 | 0-1000ug/m3 | 1ug/m3 | ±10%(<500微克) | 標配 |
PM10 | 0-1000ug/m3 | 1ug/m3 | ±10%(<500微克) | 標配 |
噪聲 | 30-120dB | 0.1dB | ±1.5dB | 標配 |
含氧量 | 0~25%Vol | / | ±3%FS | 標配 |
可選配其他參數:
監測參數 | 量程 | 分辨率 | 準確度 | 配置 |
一氧化碳 | 0-10ppm | 0.001PPM | ±5%F.S | 選配 |
二氧化硫 | 0-5PPM | 0.001PPM | ±5%F.S | 選配 |
二氧化氮 | 0-5PPM | 0.001PPM | ±5%F.S | 選配 |
臭氧 | 0-5PPM | 0.1PPM | ±5%F.S | 選配 |
降雨量 | 0.001-0.1mm/min | 0.1mm | 10% | 選配 |
光照度 | 0-20W LUX | 1lux | 5% | 選配 |
總輻射 | 0-2000W/m2 | 1W | 5% | 選配 |
紫外線 | 0-15 | / | / | 選配 |
二氧化碳 | 0-5000PPM | 1PPM | ±40PPM±讀數的3% | 選配 |
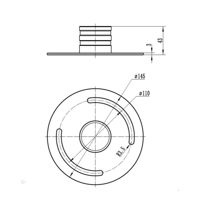
四、產品尺寸圖

五、產品結構圖

六、產品接線定義

VCC:棕色,GND:黑色,485A:綠色,485B:藍色七、法蘭盤固定方式

1、微氣象儀
2、固定螺釘
3、通信電纜+航插
法蘭盤尺寸



魯公網安備37079402370804